Iconic Diagrams\Hydraulics\Valves\Basic Valves
Domains: Continuous. Size: 1-D. Kind: Iconic Diagrams (Hydraulics).
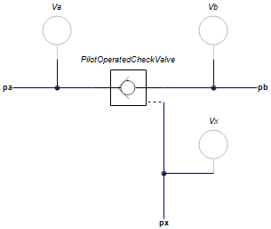
This model is a pilot operated check valve with parasitic volumes.

The flow through a pilot operated check depends on the differential pressure dp between the inlet port pa and the outlet port pb and is equal to:
flow = Q_nom * sqrt( dp / p_nom) + (Q_leak/p_nom)*dp
The variable valve indicates the valve opening and varies between zero (closed) and 1 (open). The opening depends on a force balance which depends on the pressures of the inlet and outlet port, the spring force and the pressure of the pilot port px:
valve = limit( ( pa.p - pb.p - pclosed + px.p*kp )/(popen - pclosed) , 0 , 1 )
The pilot ratio kp is ratio of the pilot piston area and the check valve area. For a large pilot ratio a relatively small pilot pressure is sufficient to open the valve against a large outlet pressure.
Ports |
Description |
pa pb px |
Inlet port Outlet port Pilot port |
Causality |
|
fixed volume flow out pa fixed volume flow out pb fixed volume flow out pt |
|
Parameters |
|
PilotOperatedCheckValve\Q_nom |
Nominal flow at nominal pressure per edge, spool in the open position [m3/s], Q_nom > 0 |
PilotOperatedCheckValve\Q_leak |
Leakage flow (valve closed) at nominal pressure drop [m3/s], Q_leak > 0. |
PilotOperatedCheckValve\p_nom |
Nominal pressure drop [Pa], p_nom > 0 |
PilotOperatedCheckValve\pclosed PilotOperatedCheckValve\popen Va\V Va\p_initial Vb\V Vb\p_initial Vx\V Vx\p_initial |
Valve is closed under this pressure [Pa] and zero pilot pressure. Valve is fully open above this pressure [Pa] and zero pilot pressure. Pilot ratio []. Volume of oil under pressure [m3], (hidden). The starting pressure of the volume [Pa], (hidden). Volume of oil under pressure [m3], (hidden). The starting pressure of the volume [Pa], (hidden). Volume of oil under pressure [m3], (hidden). The starting pressure of the volume [Pa], (hidden). |



